Notification
Home
Products
Standard Parts
Standard Mould Making Component
Mould Plates
Injection Mould Guide Bush
Injection Mould Guide Pillar
Hot Nozzle System
plate F
Plate B...
Other Standard Mould Making Component
Punches,Matrix,Dowel Pins,Ejectors
Punch
Matrix
Dowel Pin
Ejector
Other
Standard Tools Making Component
Steel Die Set
Cast Iron Die Set
Guide Systems
Die Set Guide Pillar
Ball Cage For Guide System
Die Set Guide Bush
Round Nuts and Disc
guide-system-g
Oilless Guide System
Other Standard Tools Making Component
Springs
Steel Spring
Elastomer Spring
Other Springs
Accessories
Clamp
Support
Pull Down Clamp
Bolt, Nut, Washer
Other Accessories
Adhesives, Sprays
Anaerobic
Glue (Quick-Drying)
Gas Control
Solenoid Valve
Gas Pressure Regulator
Gas Filter
Liquefied Regulator
Gas Air Ratio Control
Relief Valve
Max. Pressure Shut off Valve
Lever Hand Valve
Gas Appliance Component
Gas Control Valve
Gas Pressure Regulator
Thermocouple
Gas Stove Thermocouple
Water Heater Thermocouple
Heater Thermocouple
Oxy Pilot
Machines and Equipment
Press
Automatic Cutting Pipe Machine
Electric Taping Machine
Tools Re-Sharpening
Portable Bevel Machine
Clamp
Permanent Magnetic Chuck
Machine Vise
Air Hand Pieces
Technical Data
Standard Parts
Gas Control
Gas Appliance Component
Machines and Equipment
Sellers
Standard Parts
Gas Control
Machines and Equipment
personnel
Employee Affairs System
Employment Form
Shop
فرم پرداخت
Contact us
Shopping cart
Selecting Language
فارسی
English
русский
Home
Products
Standard Parts
Standard Tools Making Component
Guide Systems
Ball Cage For Guide System
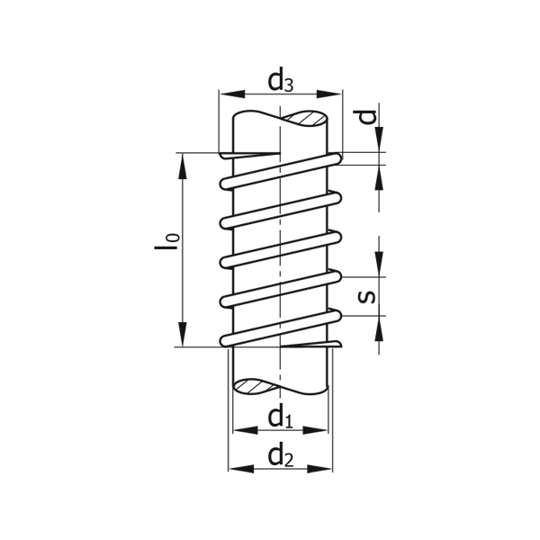
Helical Springs E364
Helical Springs E364
Helical Springs
Product specifications :
● For Ball Cage Retention
1
2
3
4
5
Be the first to review this product
Start order request
Sharing
Loading
Product Reviews
Write your own review
reviews.write.description
reviews.write.addbutton
Write your own review
Rating
1
2
3
4
5
Review title
Review text
Related products
Disc(Guide Pillar) E363
Ball Cage Retainer E361
Ball Cage Retainer E366
Ball Cage Retainer E362
Start order request