Matrix With Collar D266

Matrix With Collar

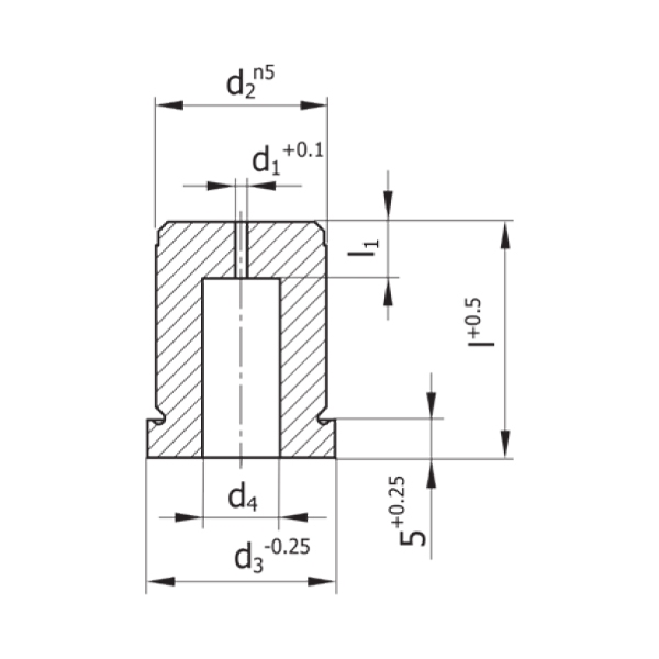
Product specifications :

● Material : HSS
● ISO 8977
● Description:
- Possibility of producing all sizes and shapes.d1 hole has been created for wire-cut pass.

Start order request
Sharing
Picture of Matrix With Collar D266
Picture of Matrix With Collar D266
Loading
Write your own review

reviews.write.description

Start order request