آگاه سازی
صفحه اصلی
محصولات
قطعات پیش ساخته
قطعات پیش ساخته قالب های تزریق
بلوک پلاستیک
بوش راهنما قالب های تزریق
میله راهنما قالب های تزریق
سامانه نازل گرم
صفحه F
صفحه B
سایر محصولات قطعات پیش ساخته قالب های تزریق
سنبه ، ماتریس ، پین و پران
سنبه
ماتریس
پین تثبیت
پران
سایر محصولات
قطعات پیش ساخته قالب های فلزی
کفشک فولادی
کفشک چدنی
سیستم های راهنما
میله راهنما قالب های فلزی
قفسه ساچمه
بوش راهنما قالب های فلزی
مهره و درپوش
سیستم راهنما
سیستم راهنمای گرافیت دار
لوازم قطعات پیش ساخته قالب های فلزی
فنر ها
فنر فولادی
فنر الاستومر
سایر فنر ها
لوازم کمکی
روبند
زیرسری
بغل بند
پیچ ، مهره ، واشر
سایر لوازم کمکی
چسب و افشانه
چسب آناروبیک
چسب قطره ای
کنترل های خط گاز مشعل
شیر برقی
رگلاتور فشار گاز
فیلتر گاز
رگلاتور گاز مایع
کنترل نسبت هوا گاز
شیر اطمینان
شیر قطع سریع فشار بیشینه
شیر دستی اهرمی
قطعات لوازم گازسوز خانگی
شیر کنترل گاز
رگلاتور خانگی
ترموکوپل
ترموکوپل اجاق گاز
ترموکوپل آبگرمکن
ترموکوپل بخاری
اکسی پیلوت
ماشین و تجهیزات
پرس
دستگاه لوله بر
قلاویز زن و لوازم جانبی
ابزار تیز کن
پخ زن
کلمپ
صفحه مغناطیس
گیره
دست ابزار های بادی
اطلاعات کاربردی
قطعات پیش ساخته
کنترل های خط گاز مشعل
قطعات لوازم گازسوز
ماشین و تجهیزات
زنجیره فروش
فروشنده شوید
ماشین و تجهیزات
قطعات پیش ساخته
کنترل های خط گاز مشعل
کارکنان
سامانه امور کارکنان
سامانه امور کارکنان
فرم استخدام
ارتباط مستقیم با مدیرعامل
انتقادات و پیشنهادات
مسابقات فرهنگی
فروشگاه
فرم پرداخت
تماس با ما
سبد خرید
انتخاب زبان
فارسی
English
русский
صفحه اصلی
محصولات
قطعات پیش ساخته
لوازم کمکی
زیرسری
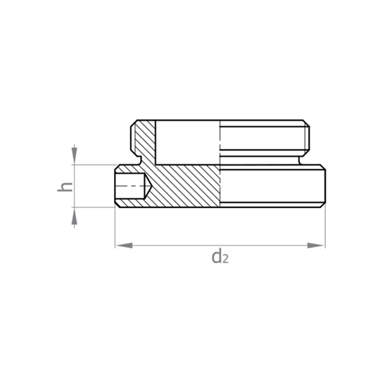
پایه زیرسری E3122
پایه زیرسری E3122
INTERMEDIATE BASE
مشخصات :
1
2
3
4
5
اولین نفر باشید که برای این کالا نظر می نویسید
خرید محصول
اشتراک گذاری
درحال بارگذاری
اطلاعات کامل
نظرها درباره کالا
نظر خودتان را بنویسد
اگر پرسش یا نظری دارید ثبت کنید و امتیاز بگیرید.
ثبت نظر
نظر خودتان را بنویسد
امتیاز
1
2
3
4
5
عنوان
نظر شما
کالاهای مرتبط
زیرسری E312
زیرسری E314
زیرسری دقیق E313
واسطه زیرسری E3121
خرید محصول